

Tempel Steel Company
EI 50, M6 29 Gauge Orientated Single Phase Steel Lamination (1 string).
General Information
M6 29 Gauge - 0.014" (0.355 mm) Grain Orientated Electrical Transformer Steel Lamination, RoHS compliant. This steel is used in audio amplifiers, current, output, power transformers; chokes and saturable reactors; and ferro-resonant regulators. The squared hysteresis loop iron-silicon alloy was expressly developed to provide lower core loss with higher permeability in the rolling direction. Grain oriented laminations are supplied in the stress relief annealed condition. The elementary patterns of the crystals in the material are "oriented", or so arranged that the axis of easiest magnetization is nearly parallel and aligned in the direction of rolling. The alignment is accomplished by special cold-rolling and annealing processes. This allows the product to withstand more severe vibration and shock and enables the following:
-
Lower core losses as a consequence of design.
-
Higher initial permeability.
-
Higher permeability at higher inductions.
- More stable VA/Temperature relationship over a wide range of ambient temperatures.
| Strings | ≅ Weight (lbs.) | ≅ Weight (Kg) | ≅ "EI" Sets |
| 1 | 4.04 |
1.84 |
660 |
Specifications
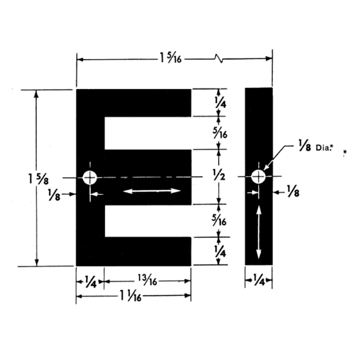
| Dimensional Drawing | 20000-EI050 |
| Thickness | Lamination Weight | ||||
| in. | mm | lb./1000 pcs | Kg/1000 pcs | "EI"s/lb. | "EI"s/Kg |
| 0.014 | 0.355 | 6.115 |
2.774 |
163.5 |
360.5 |
Characteristics of a Square Core Stack
| Window Dimensions | 0.813 in. x 0.313 in. | 0.254 in.2 | 1.638 cm.2 |
| Volume, Solid | 0.800 in.3 | 13.113 cm.3 | |
| Cross Section Area, Solid | 0.250 in.2 | 1.613 cm.2 | |
| Sets | 36 |
||
| Weight | 0.220 lbs. | 0.100 Kg | |
| Length of Magnetic Path | 3.250 in. | 8.255 cm. | |
| Specific Gravity - Grams per cu. cm. (A.S.T.M.) | 7.65 | ||
| Vol. Resistively - Microhms per cm. cube | 45 | ||
| Saturation Induction (Gauss) | 20,300 | ||
| Max. aging - Core Loss % | 5 | ||
| Coercive Force - (Oersteds) Annealed | 0.12 | ||
| Hysteresis Loss at 10 Kilogauss (Ergs/cycle/cm.3) | 260 | ||
Typical D.C. Permeability Value (Max)
| 100 Gauss | 6,000 |
| 1,000 Guass | 17,000 |
| 10,000 Guass | 50,000 |
| 16,000 Guass | 47,000 |
Design Formulas
| BMAX = (233 x 103) / K1N = Gauss per volt |
| HO = (0.152 x 10-3) = Oersteds per milliampere of direct current |
| La = (0.26 x 10-8) K1 N2 μAC = Henrys |
60 Hz. Reactance (N = number of turns)
EDCOR sells steel laminations from Tempel Steel and Thomas & Skinner. For more information on the specifications please visit the companies websites: www.tempel.com and thomas-skinner.com.

